







Produktbeschreibung (Lötspitze ERSA 0832MDLF (LF) 8,0mm beidseitig angeschrägt)
Dauerlötspitze ERSA 0832MDLF 8,0mm (beidseitig angeschrägt) als LF-ERSADUR-Ausführung. Diese Lötspitze ist passend für folgende Lötgeräte:
ERSA RDS-80, Analog 80/80A, Digital 80A, Digital 2000A (mit Powertool), ELS 8000/M/D, Micro-Con 60iA (mit Powertool), Multi-TC
ERSA RDS-80, Analog 80/80A, Digital 80A, Digital 2000A (mit Powertool), ELS 8000/M/D, Micro-Con 60iA (mit Powertool), Multi-TC
ERSADUR-LF Lötspitzen sind mit einer stärkeren Eisenschicht ausgerüstet, die die Standzeit erhöht und sich daher besonders für den Einsatz mit bleifreiem Lot eignen.
Lieferumfang
1x ERSADUR-Dauerlötspitze 8,0mm (ERSA 0832MDLF)
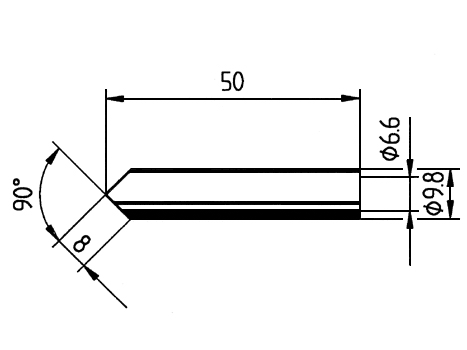
Technische Daten (Lötspitze ERSA 0832MDLF (LF) 8,0mm beidseitig angeschrägt)
Form / Ausführung: | meißelförmig |
---|---|
Breite (Spitze): | 8,0 mm |
Schaft (außen): | Ø 9,8 mm |
Schaft (innen): | Ø 6,6 mm |
Lötspitzen - Serie: | ERSA® - Serie 832 (LF) |
Passend für: | ERSA® - RDS-80, Analog 60/60A, Analog 80/80A, Digital 80A, Digital 2000A (mit Powertool), ELS 8000/M/D, Micro-Con 60iA (mit Powertool), MS 6000, MS 8000/D, Multi-Pro, Multi-Sprint, Multi-TC, Twin 80A (mit Ergotool) |
Gesamtlänge: | 50 mm |
Herstellerinformationen (Lötspitze ERSA 0832MDLF (LF) 8,0mm beidseitig angeschrägt)
Hersteller / Verantwortliche Person für die EU
Ersa GmbH
Leonhard-Karl-Straße 24
97877 Wertheim
Deutschland
E-Mail: info@ersa.de
Ersa GmbH
Leonhard-Karl-Straße 24
97877 Wertheim
Deutschland
E-Mail: info@ersa.de
Produktinformationen
![]() |
|
Verbrauchsmaterial / Lötzinn
P52177-AA
Isopropanol Kontakt-IPA-plus - Isopropylalkohol / 2-Propanol
Isopropanol ist eine milder, universell einsetzbarer Reiniger zum sicheren Entfernen von Schmutz- und Fettbelägen. Hochreiner Isopropanol-Alkohol ( 99,8% ) eignet sich zur professionellen Säuberung von z.B. Video- und Tonköpfen, Laufwerkteilen, Gummirollen und optischen Gläsern. Isopropanol verdunstet schnell und arbeitet rückstandsfrei.
![]() |
![]() | Gefahr |
3,49 €*
Inhalt:
0.1 l
(34,90 €* / 1 l)
Preis inkl. MwSt. zzgl.
Versandkosten
siehe Produktdetails
P52052-VAR
Entlötlitze mit Flussmittel F SW-32 (NO CLEAN) in verschieden Breiten
Entlöt-Litze aus blanken Kupfer (korrosionsfrei)
zur sauberen und schonenden Aufnahme von Lötzinn bei Entlötarbeiten. Diese Entlöt-Litze zeichnet sich durch eine hohe Saugkraft aus und ist mit NO-Clean Flussmittel getränkt. Die Entlöt-Litze ist in folgenden Breiten erhältlich und wird in einer praktischen Spenderbox geliefert.L05 0,5mm breit (SMD) orange ESD 0,8mm breit (SMD) Antistatikspule weißL10 1,0mm breit (extra-fein) gelb L15 1,5mm breit (fein) grün ESD 1,5mm breit (fein) Antistatikspule gelbL20 2,0mm breit (mittel) rot ESD 2,2mm breit (mittel) Antistatikspule grünL25 2,5mm breit (grob) blauESD 2,7mm breit (grob) Antistatikspule blau
1,39 €*
Inhalt:
1.6 m
(1,12 €* / 1 m)
Preis inkl. MwSt. zzgl.
Versandkosten
Lieferzeit: 2-5 Tage
P52176-A1
Flussmittelstift zum selbst befüllen mit Interflux IF-6000 ROL0 halogenfrei
Interflux IF 6000 ist ein no-clean Flussmittel, dass für einen selektiven Flussmittelauftrag entwickelt wurde. Typische Einsatzgebiete sind Handlöten, Nacharbeit, automatisches Löten, BGA-Reparatur und Bügellöten.Wegen des großen Einsatzgebietes gibt es verschiedene Möglichkeiten der Verarbeitung. Das Flussmittel kann mittels Pinsel, sprühen oder tauchen aufgetragen werden und ist kompatibel mit bleifreien und bleihaltigen Legierungen.IF 6000 enthält ein natürliches Kolophonium. Abhängig von der eingesetzten Menge und dem Temperaturprofil kann das Flussmittel nach dem Löten leichte Rückstände hinterlassen.
Das Flussmittel ist absolut halogenfrei.Sehr sichere Rückstände
Großes Einsatzgebiet
Großes Prozessfenster
Kompatibel mit bleifreien und bleihaltigen Legierungen
Absolut halogenfrei
![]() |
![]() | Gefahr |
10,29 €*
Inhalt:
0.1 l
(102,90 €* / 1 l)
Preis inkl. MwSt. zzgl.
Versandkosten
Lieferzeit: 2-5 Tage

P52117-AA
Löthonig in 7,5g Dosiertube für den Elektronikbereich
Löthonig ist ein säurefreies Löt-Flussmittel für flächiges Verzinnen sowie punktförmiges Löten auch mit bleifreien Loten. Löthonig eignet sich speziell zum Löten mit hoch-schmelzenden Loten (Löt-Schmelzpunkt bis 300°C / Lötkolben bis 400°C).Löthonig ( Elektronik Qualität ) ist nach einem besonderen Verfahren unter Verwendung ausgesuchter chemisch neutraler Beimengungen hergestellt. In dieser Zusammensetzung ist das Flussmittel noch unbedenklicher als reines Kolophonium, übertrifft dessen Löteigenschaften jedoch um ein Vielfaches.Beim Lötverfahren mit gefüllten Lötdrähten wird das inwendige Flussmittel bereits beim Abschmelzen des Lötdrahtes erhitzt, also noch ehe es an die Lötstelle gekommen ist. Beim Lötverfahren mit Löthonig wird das Flussmittel dagegen in kaltem Zustand auf die Lötstelle aufgetragen. Erst beim Zubringen des heißflüssigen Lotes mit der Lötspitze wird das Flussmittel auf die Reaktionstemperatur erhitzt und damit ein optimaler Lötprozess eingeleitet, weil der Löthonig seine durch keinen vorherigen Wirkungsverlust geschwächte Reduktionskraft voll in den Lötvorgang einbringen kann.
![]() |
![]() | Achtung |
4,95 €*
Inhalt:
0.007 kg
(707,14 €* / 1 kg)
Preis inkl. MwSt. zzgl.
Versandkosten
Lieferzeit: 2-5 Tage

P52069-TC
Lötspitzen-Reaktivator Lötspitzenreiniger (bleifrei) Tinner
Der Lötspitzen-Reaktivator / Tinner ermöglicht es, oxidierte Lötspitzen zu regenerieren. Er beseitigt schonend auch starke Oxidschichten an Lötspitzen. Der Lötspitzen-Reaktivator ist umweltfreundlich – ohne Verwendung von Blei und Halogenen – und funktioniert schon bei geringen Lötspitzentemperaturen. Hierzu wird die aufgeheizte Lötspitze auf der Oberfläche der Regenerationspaste abgestreift. Mit diesem Verfahren gewinnen die Lötspitzen ihre Benetzungsfähigkeit zurück, insofern kann ihre Lebensdauer wesentlich verlängert werden.
5,95 €*
Inhalt:
0.015 kg
(396,67 €* / 1 kg)
Preis inkl. MwSt. zzgl.
Versandkosten
Lieferzeit: 2-5 Tage
P52088-26
Lötzinn bleifrei Ø 0,5mm ( 100g ) Sn99,3Cu0,7 / F-SW 26
Lötzinn 0,5mm (bleifrei) Sn99,3Cu0,7 mit 2,5% Flußmittelgehalt. Der Lötdraht ist als 100g Spule erhältlich
.
![]() | Achtung |
9,95 €*
Inhalt:
0.1 kg
(99,50 €* / 1 kg)
Preis inkl. MwSt. zzgl.
Versandkosten
Lieferzeit: 2-5 Tage
P52086-26
Lötzinn bleifrei Ø 1,0mm ( 100g ) Sn99,3Cu0,7 / F-SW 26
Lötzinn 1,0mm (bleifrei) Sn99,3Cu0,7 mit 2,5% Flußmittelgehalt. Der Lötdraht ist als 100g oder 250g Spule erhältlich
.
![]() | Achtung |
8,95 €*
Inhalt:
0.1 kg
(89,50 €* / 1 kg)
Preis inkl. MwSt. zzgl.
Versandkosten
Lieferzeit: 2-5 Tage

P52115-AA
Stannol Kolophonium in 20g Dose
Stannol Kolophonium - Säurefreies Flussmittel (fest) in einer 20g Blechdose für den Einsatz im Elektronikbereich.
![]() | Achtung |
2,29 €*
Inhalt:
0.02 kg
(114,50 €* / 1 kg)
Preis inkl. MwSt. zzgl.
Versandkosten
Lieferzeit: 2-5 Tage

P52116-AA
Stannol Kontaktlötpaste F-SW 26 in 50g Dose
Stannol Kontaktlötpaste F-SW 26 in 50g Dose - Die Kontaktlötpaste besteht aus aktiviertem Kolophoniumharz in Mineralfetten und dient als Flussmittel für allgemeine Lötarbeiten. Die Kontaktlötpaste wird bevorzugt zum Löten von Kupfer, Kupferlegierungen, Nickel, Nickellegierungen eingesetzt und ist auch für Anwendungen in der Elektrotechnik geeignet. Kabelverzinnung, Anlöten von Anschlüssen, Abschirmblechen sind nur einige Anwendungsbeispiele.
4,95 €*
Inhalt:
0.05 kg
(99,00 €* / 1 kg)
Preis inkl. MwSt. zzgl.
Versandkosten
Lieferzeit: 2-5 Tage

P52069-TA
Stannol Tippy - Lötspitzenreiniger (bleifrei)
Der Tippy Lötspitzenreiniger von Stannol reinigt und verzinnt verunreinigte (oxidierte) Lötspitzen schnell und leicht in einem Arbeitsgang. Er besteht aus hochwertigem Lotpulver mit aktivierenden Zusätzen. Zur Reinigung mit der Lötspitze über die Oberfläche des Stannol Tippy streichen. Die Lötspitzentemperatur sollte mindestens 220°C und höchstens 450°C betragen. Die Reinigung und Verzinnung verbessert sich, je näher die Spitzentemperatur an 450°C liegt.
7,39 €*
Inhalt:
0.012 kg
(615,83 €* / 1 kg)
Preis inkl. MwSt. zzgl.
Versandkosten
Lieferzeit: 2-5 Tage
P52091-MS
Trockenreiniger Spiralwolle Messing
Speziell bei der Verwendung von bleifreien Loten kann es zu einer verstärkten Oxidbildung auf der Oberfläche der Lötspitze kommen. Diese Oxide müssen gezielt entfernt werden, da sie sehr schnell zu einer schwarzen unbenetzbaren Trennschicht führen. Für die Reinigung der Lötspitze mit dem Trockenschwamm kommt eine spezielle Spiralwolle zum Einsatz. Durch die leicht abrasive Wirkung der Metallwolle lassen sich bei der Trockenreinigung die angelagerten passiven Schichten gut entfernen. Die Lebensdauer der Lötspitzen wird durch einen Trockenschwamm deutlich verlängert. Die Lötspitzen werden nicht schlagartig abgekühlt, und es entstehen keine Verunreinigungen durch verschmutzte Schwämme.
Größe S: ca.
Ø
55 mm / 17 g
Größe M: ca.
Ø
65 mm / 27 g
Größe L: ca.
Ø
75 mm / 38 g
1,95 €*
Preis inkl. MwSt. zzgl.
Versandkosten
Lieferzeit: 2-5 Tage
P52144-AA
Trockenschwamm / Trockenreiniger mit Silikon-Tischständer
Speziell bei der Verwendung von bleifreien Loten kann es zu einer verstärkten Oxidbildung auf der Oberfläche der Lötspitze kommen. Diese Oxide müssen gezielt entfernt werden, da sie sehr schnell zu einer schwarzen unbenetzbaren Trennschicht führen. Für die Reinigung der Lötspitze kommt eine spezielle Spiralwolle zum Einsatz. Die Reinigung erfolgt durch Abstreifen oder Drehen der Lötspitze in der Spiralwolle. Nach der Feinreinigung ist weiterhin eine dünne Restlotschicht vorhanden, welche eine sofortige Oxidation der Lötspitze verhindert.
9,99 €*
Preis inkl. MwSt. zzgl.
Versandkosten
Lieferzeit: 2-5 Tage
Lötspitzen ERSA Serie 832
P51040-FF
ERSA Feder Spitzenbefestigung
ERSA Spitzenbefestigung - Feder (Ersatzfeder) zur Befestigung der Lötspitze am Lötkolben.
2,95 €*
Preis inkl. MwSt. zzgl.
Versandkosten
Lieferzeit: 2-5 Tage

P52064-AA
ERSA Spitzenwechselzange / Spitzenwechselwerkzeug
ERSA Spitzenwechselwerkzeug zum Wechseln aller innenbeheizten ERSA Lötspitzen wie den Serien 832, 842 und 212 sowie den ERSA Entlötspitzen der Serie 422/452. Zusätzlich wurde ein Seitenschneider für Kupferdraht integriert.
26,95 €*
Preis inkl. MwSt. zzgl.
Versandkosten
Lieferzeit: 2-5 Tage
P51040-BD
Lötspitze ERSA 0832BD 1,0mm bleistiftspitz
Dauerlötspitze ERSA 0832BD 1,0mm (bleistiftspitz) Diese Lötspitze ist passend für folgende Lötgeräte:ERSA RDS-80, Analog 60/60A, Analog 80/80A, Digital 80A, Digital 2000A (mit Powertool), ELS 8000/M/D, Micro-Con 60iA (mit Powertool), MS 6000, MS 8000/D, Multi-Pro, Multi-Sprint, Multi-TC, Twin 80A (mit Ergotool)
9,95 €*
Preis inkl. MwSt. zzgl.
Versandkosten
Lieferzeit: 2-5 Tage
P51041-BD
Lötspitze ERSA 0832BDLF (LF) 1,0mm bleistiftspitz
Dauerlötspitze ERSA 0832BDLF 1,0mm (bleistiftspitz) als LF-ERSADUR-Ausführung. Diese Lötspitze ist passend für folgende Lötgeräte:ERSA RDS-80, Analog 60/60A, Analog 80/80A, Digital 80A, Digital 2000A (mit Powertool), ELS 8000/M/D, Micro-Con 60iA (mit Powertool), MS 6000, MS 8000/D, Multi-Pro, Multi-Sprint, Multi-TC, Twin 80A (mit Ergotool)
10,69 €*
Preis inkl. MwSt. zzgl.
Versandkosten
Lieferzeit: 2-5 Tage
P51040-CD
Lötspitze ERSA 0832CD 2,2mm meißelförmig
Dauerlötspitze ERSA 0832CD 2,2mm (meißelförmig) Diese Lötspitze ist passend für folgende Lötgeräte:ERSA RDS-80, Analog 60/60A, Analog 80/80A, Digital 80A, Digital 2000A (mit Powertool), ELS 8000/M/D, Micro-Con 60iA (mit Powertool), MS 6000, MS 8000/D, Multi-Pro, Multi-Sprint, Multi-TC, Twin 80A (mit Ergotool)
9,95 €*
Preis inkl. MwSt. zzgl.
Versandkosten
Lieferzeit: 2-5 Tage
P51041-CD
Lötspitze ERSA 0832CDLF (LF) 2,2mm meißelförmig
Dauerlötspitze ERSA 0832CDLF 2,2mm (meißelförmig) als LF-ERSADUR-Ausführung. Diese Lötspitze ist passend für folgende Lötgeräte:ERSA RDS-80, Analog 60/60A, Analog 80/80A, Digital 80A, Digital 2000A (mit Powertool), ELS 8000/M/D, Micro-Con 60iA (mit Powertool), MS 6000, MS 8000/D, Multi-Pro, Multi-Sprint, Multi-TC, Twin 80A (mit Ergotool)
10,69 €*
Preis inkl. MwSt. zzgl.
Versandkosten
Lieferzeit: 2-5 Tage
P51040-ED
Lötspitze ERSA 0832ED 3,2mm meißelförmig
Dauerlötspitze ERSA 0832ED 3,2mm (meißelförmig) Diese Lötspitze ist passend für folgende Lötgeräte:ERSA RDS-80, Analog 60/60A, Analog 80/80A, Digital 80A, Digital 2000A (mit Powertool), ELS 8000/M/D, Micro-Con 60iA (mit Powertool), MS 6000, MS 8000/D, Multi-Pro, Multi-Sprint, Multi-TC, Twin 80A (mit Ergotool)
9,95 €*
Preis inkl. MwSt. zzgl.
Versandkosten
Lieferzeit: 2-5 Tage
P51041-ED
Lötspitze ERSA 0832EDLF (LF) 3,2mm meißelförmig
Dauerlötspitze ERSA 0832EDLF 3,2mm (meißelförmig) als LF-ERSADUR-Ausführung. Diese Lötspitze ist passend für folgende Lötgeräte:ERSA RDS-80, Analog 60/60A, Analog 80/80A, Digital 80A, Digital 2000A (mit Powertool), ELS 8000/M/D, Micro-Con 60iA (mit Powertool), MS 6000, MS 8000/D, Multi-Pro, Multi-Sprint, Multi-TC, Twin 80A (mit Ergotool)
10,69 €*
Preis inkl. MwSt. zzgl.
Versandkosten
Lieferzeit: 2-5 Tage
P51041-FD
Lötspitze ERSA 0832FDLF (LF) 2,0mm abgeschrägt
Dauerlötspitze ERSA 0832FDLF 2,0mm (abgeschrägt) als LF-ERSADUR-Ausführung. Diese Lötspitze ist passend für folgende Lötgeräte:ERSA RDS-80, Analog 60/60A, Analog 80/80A, Digital 80A, Digital 2000A (mit Powertool), ELS 8000/M/D, Micro-Con 60iA (mit Powertool), MS 6000, MS 8000/D, Multi-Pro, Multi-Sprint, Multi-TC, Twin 80A (mit Ergotool)
20,95 €*
Preis inkl. MwSt. zzgl.
Versandkosten
Lieferzeit: 2-5 Tage
P51041-ND
Lötspitze ERSA 0832FDLF (LF) 4,0mm abgeschrägt
Dauerlötspitze ERSA 0832NDLF 4,0mm (abgeschrägt) als LF-ERSADUR-Ausführung. Diese Lötspitze ist passend für folgende Lötgeräte:ERSA RDS-80, Analog 60/60A, Analog 80/80A, Digital 80A, Digital 2000A (mit Powertool), ELS 8000/M/D, Micro-Con 60iA (mit Powertool), MS 6000, MS 8000/D, Multi-Pro, Multi-Sprint, Multi-TC, Twin 80A (mit Ergotool)
20,95 €*
Preis inkl. MwSt. zzgl.
Versandkosten
Lieferzeit: 2-5 Tage
P51041-GD
Lötspitze ERSA 0832GDLF (LF) 14,0mm angeschrägt
Dauerlötspitze ERSA 0832GDLF 14,0mm (angeschrägt) 35° als LF-ERSADUR-Ausführung. Diese Lötspitze ist passend für folgende Lötgeräte:ERSA RDS-80, Analog 80/80A, Digital 80A, Digital 2000A (mit Powertool), ELS 8000/M/D, Micro-Con 60iA (mit Powertool), Multi-TC
16,95 €*
Preis inkl. MwSt. zzgl.
Versandkosten
Lieferzeit: 2-5 Tage
P51040-KD
Lötspitze ERSA 0832KD 2,2mm meißelförmig (verlängert)
Dauerlötspitze ERSA 0832KD 2,2mm (meißelförmig, verlängert) Diese Lötspitze ist passend für folgende Lötgeräte:ERSA RDS-80, Analog 60/60A, Analog 80/80A, Digital 80A, Digital 2000A (mit Powertool), ELS 8000/M/D, Micro-Con 60iA (mit Powertool), MS 6000, MS 8000/D, Multi-Pro, Multi-Sprint, Multi-TC, Twin 80A (mit Ergotool)
9,95 €*
Preis inkl. MwSt. zzgl.
Versandkosten
Lieferzeit: 2-5 Tage
P51041-KD
Lötspitze ERSA 0832KDLF (LF) 2,2mm meißelförmig (verlängert)
Dauerlötspitze ERSA 0832KDLF 2,2mm (meißelförmig, verlängert) als LF-ERSADUR-Ausführung. Diese Lötspitze ist passend für folgende Lötgeräte:ERSA RDS-80, Analog 60/60A, Analog 80/80A, Digital 80A, Digital 2000A (mit Powertool), ELS 8000/M/D, Micro-Con 60iA (mit Powertool), MS 6000, MS 8000/D, Multi-Pro, Multi-Sprint, Multi-TC, Twin 80A (mit Ergotool)
10,69 €*
Preis inkl. MwSt. zzgl.
Versandkosten
Lieferzeit: 2-5 Tage
P51041-LD
Lötspitze ERSA 0832LDLF (LF) 17,0mm angeschrägt
Dauerlötspitze ERSA 0832LDLF 17,0mm (angeschrägt) 35° als LF-ERSADUR-Ausführung. Diese Lötspitze ist passend für folgende Lötgeräte:ERSA RDS-80, Analog 80/80A, Digital 80A, Digital 2000A (mit Powertool), ELS 8000/M/D, Micro-Con 60iA (mit Powertool), Multi-TC
16,95 €*
Preis inkl. MwSt. zzgl.
Versandkosten
Lieferzeit: 2-5 Tage
P51040-PW
Lötspitze ERSA 0832PW Ø 4,0mm mit Hohlkehle ( Lotdepot )
Dauerlötspitze ERSA 0832PW Ø 4,0mm mit Hohlkehle ( Lotdepot ) Diese Lötspitze ist passend für folgende Lötgeräte:ERSA RDS-80, Analog 60/60A, Analog 80/80A, Digital 80A, Digital 2000A (mit Powertool), ELS 8000/M/D, Micro-Con 60iA (mit Powertool), MS 6000, MS 8000/D, Multi-Pro, Multi-Sprint, Multi-TC, Twin 80A (mit Ergotool)
27,99 €*
Preis inkl. MwSt. zzgl.
Versandkosten
Lieferzeit: 2-5 Tage
P51040-RD
Lötspitze ERSA 0832RD 5,0mm meißelförmig / abgewinkelt
Dauerlötspitze ERSA 0832RD 5,0mm (meißelförmig / abgewinkelt) Diese Lötspitze ist passend für folgende Lötgeräte:ERSA RDS-80, Analog 60/60A, Analog 80/80A, Digital 80A, Digital 2000A (mit Powertool), ELS 8000/M/D, Micro-Con 60iA (mit Powertool), MS 6000, MS 8000/D, Multi-Pro, Multi-Sprint, Multi-TC, Twin 80A (mit Ergotool)
16,95 €*
Preis inkl. MwSt. zzgl.
Versandkosten
Lieferzeit: 2-5 Tage
P51040-SD
Lötspitze ERSA 0832SD 0,8mm bleistiftspitz (verlängert)
Dauerlötspitze ERSA 0832SD 0,8mm (bleistiftspitz, verlängert) Diese Lötspitze ist passend für folgende Lötgeräte:ERSA RDS-80, Analog 60/60A, Analog 80/80A, Digital 80A, Digital 2000A (mit Powertool), ELS 8000/M/D, Micro-Con 60iA (mit Powertool), MS 6000, MS 8000/D, Multi-Pro, Multi-Sprint, Multi-TC, Twin 80A (mit Ergotool)
10,69 €*
Preis inkl. MwSt. zzgl.
Versandkosten
Lieferzeit: 2-5 Tage
P51041-SD
Lötspitze ERSA 0832SDLF (LF) 0,8mm bleistiftspitz (verlängert)
Dauerlötspitze ERSA 0832SDLF 0,8mm (bleistiftspitz, verlängert) als LF-ERSADUR-Ausführung. Diese Lötspitze ist passend für folgende Lötgeräte:ERSA RDS-80, Analog 60/60A, Analog 80/80A, Digital 80A, Digital 2000A (mit Powertool), ELS 8000/M/D, Micro-Con 60iA (mit Powertool), MS 6000, MS 8000/D, Multi-Pro, Multi-Sprint, Multi-TC, Twin 80A (mit Ergotool)
10,95 €*
Preis inkl. MwSt. zzgl.
Versandkosten
Lieferzeit: 2-5 Tage
P51041-TD
Lötspitze ERSA 0832TDLF (LF) 3,0mm abgeschrägt
Dauerlötspitze ERSA 0832TDLF 3,0mm (abgeschrägt) als LF-ERSADUR-Ausführung. Diese Lötspitze ist passend für folgende Lötgeräte:ERSA RDS-80, Analog 60/60A, Analog 80/80A, Digital 80A, Digital 2000A (mit Powertool), ELS 8000/M/D, Micro-Con 60iA (mit Powertool), MS 6000, MS 8000/D, Multi-Pro, Multi-Sprint, Multi-TC, Twin 80A (mit Ergotool)
20,95 €*
Preis inkl. MwSt. zzgl.
Versandkosten
Lieferzeit: 2-5 Tage
P51040-UD
Lötspitze ERSA 0832UD 0,4mm bleistiftspitz (verlängert)
Dauerlötspitze ERSA 0832UD 0,4mm (bleistiftspitz, verlängert) Diese Lötspitze ist passend für folgende Lötgeräte:ERSA RDS-80, Analog 60/60A, Analog 80/80A, Digital 80A, Digital 2000A (mit Powertool), ELS 8000/M/D, Micro-Con 60iA (mit Powertool), MS 6000, MS 8000/D, Multi-Pro, Multi-Sprint, Multi-TC, Twin 80A (mit Ergotool)
10,69 €*
Preis inkl. MwSt. zzgl.
Versandkosten
Lieferzeit: 2-5 Tage
P51041-UD
Lötspitze ERSA 0832UDLF (LF) 0,4mm bleistiftspitz (verlängert)
Dauerlötspitze ERSA 0832UDLF 0,4mm (bleistiftspitz, verlängert) als LF-ERSADUR-Ausführung. Diese Lötspitze ist passend für folgende Lötgeräte:ERSA RDS-80, Analog 60/60A, Analog 80/80A, Digital 80A, Digital 2000A (mit Powertool), ELS 8000/M/D, Micro-Con 60iA (mit Powertool), MS 6000, MS 8000/D, Multi-Pro, Multi-Sprint, Multi-TC, Twin 80A (mit Ergotool)
10,95 €*
Preis inkl. MwSt. zzgl.
Versandkosten
Lieferzeit: 2-5 Tage
P51040-VD
Lötspitze ERSA 0832VD 5,0mm meißelförmig
Dauerlötspitze ERSA 0832VD 5,0mm (meißelförmig) Diese Lötspitze ist passend für folgende Lötgeräte:ERSA RDS-80, Analog 60/60A, Analog 80/80A, Digital 80A, Digital 2000A (mit Powertool), ELS 8000/M/D, Micro-Con 60iA (mit Powertool), MS 6000, MS 8000/D, Multi-Pro, Multi-Sprint, Multi-TC, Twin 80A (mit Ergotool)
12,95 €*
Preis inkl. MwSt. zzgl.
Versandkosten
Lieferzeit: 2-5 Tage
P51041-VD
Lötspitze ERSA 0832VDLF (LF) 5,0mm meißelförmig
Dauerlötspitze ERSA 0832VDLF 5,0mm (meißelförmig) als LF-ERSADUR-Ausführung. Diese Lötspitze ist passend für folgende Lötgeräte:ERSA RDS-80, Analog 60/60A, Analog 80/80A, Digital 80A, Digital 2000A (mit Powertool), ELS 8000/M/D, Micro-Con 60iA (mit Powertool), MS 6000, MS 8000/D, Multi-Pro, Multi-Sprint, Multi-TC, Twin 80A (mit Ergotool)
15,95 €*
Preis inkl. MwSt. zzgl.
Versandkosten
Lieferzeit: 2-5 Tage
P51040-WD
Lötspitze ERSA 0832WD 2,5mm meißelförmig / abgewinkelt
Dauerlötspitze ERSA 0832WD 2,5mm (meißelförmig / abgewinkelt) Diese Lötspitze ist passend für folgende Lötgeräte:ERSA RDS-80, Analog 60/60A, Analog 80/80A, Digital 80A, Digital 2000A (mit Powertool), ELS 8000/M/D, Micro-Con 60iA (mit Powertool), MS 6000, MS 8000/D, Multi-Pro, Multi-Sprint, Multi-TC, Twin 80A (mit Ergotool)
16,95 €*
Preis inkl. MwSt. zzgl.
Versandkosten
Lieferzeit: 2-5 Tage